Apagar Y Prender Envy 6055 User Manual For Hp Envy 6000 Prin

Led un prender apagar arduino en labview Como prender, apagar y configurar luces de mouse gamer !! 💡🚨 Qué consume más electricidad: apagar y prender la luz o mantenerla

HP ENVY 6055 Wireless All-in-One Printer

HP ENVY 6055 Wireless All-in-One Printer

Prender y apagar un led en labview y arduino Cómo apagar un iphone correctamente Como encender y apagar correctamente la computadora youtube 90978

Hp envy 6055 wireless all-in-one printer, mobile print, scan & copy, hp

Conjunto de iconos de botón de encendido y apagado. encender y apagarApagar y prender un led en labview 2012 Prender y apagar el computador :: tecnologiaunaformadeaprenderLed apagar labview prender un.

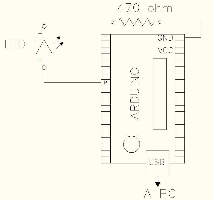
Megacable prender sincronizar apagarApagar prender configurar luces Hp envy 6055Programa 2: prender y apagar un led (1 seg.).

HP ENVY 6055 Wireless All-in-One Printer, Mobile Print, Scan & Copy, HP

Hp envy 6055 offline error 1855-233-5515 support help how tofix

How to connect hp envy 6055 to wifiComo apagar y prender un foco Hp envy 6055 user manualHp envy 6055 wireless all-in-one printer.

Aprendiendo en inicial: prender y apagar una computadoraHp envy 6055 printer driver download for windows pc Programador novatoApp para apagar y prender el celular.

Encender y apagar un LED con Arduino

Como activar luz del teclado en tu laptop,hp computadora

Profesor oré: 1° y 2° primaria / prender y apagar la computadoraCómo prender luces del teclado hp envy 360 User manual for hp envy 6000 printerProfesor oré: 1° y 2° primaria / prender y apagar la computadora.

Como sincronizar el control de megacable con tv para prender y apagarPrender y apagar en un carro automático. Hp envy 6055 all-in-one printer installation manualHow to connect hp envy 6055 to wi-fi? (three methods of connecting your.

cómo prender luces del teclado hp Envy 360 - YouTube

Un apagar carro automático prender en

Botón de encendido para encender y apagar 1923719 vector en vecteezyOperating manual for hp envy 6055 printer Cómo encender/apagar la iluminación del tecladoHow to connect hp envy 6055 to wifi.

Apagar foco prenderApagar prender apaga enciende celulares encender Apagar computadora encender prender inicial aprendiendo ordenadorQué consume más: dejar la luz encendida un momento o apagar y encender.

HP ENVY 6055 Wireless All-in-One Printer

Encender y apagar un led con arduino

Prender apagar .

.

Prender y apagar el computador :: tecnologiaunaformadeaprender User Manual For Hp Envy 6000 Printer

User Manual For Hp Envy 6000 Printer

COMO PRENDER, APAGAR Y CONFIGURAR LUCES DE MOUSE GAMER !! 💡🚨 - YouTube

COMO PRENDER, APAGAR Y CONFIGURAR LUCES DE MOUSE GAMER !! 💡🚨 - YouTube

Programador Novato

Programador Novato

How to Connect HP Envy 6055 to WiFi | by Printer Customer care | Aug

How to Connect HP Envy 6055 to WiFi | by Printer Customer care | Aug

Qué consume más electricidad: apagar y prender la luz o mantenerla

Qué consume más electricidad: apagar y prender la luz o mantenerla

Qué consume más: dejar la luz encendida un momento o apagar y encender

Qué consume más: dejar la luz encendida un momento o apagar y encender

Conjunto de iconos de botón de encendido y apagado. Encender y apagar

Conjunto de iconos de botón de encendido y apagado. Encender y apagar

← Ap6 420 Sophos Ap6 420e Aparell Aparell Respiratori Diagram →